
新聞資訊
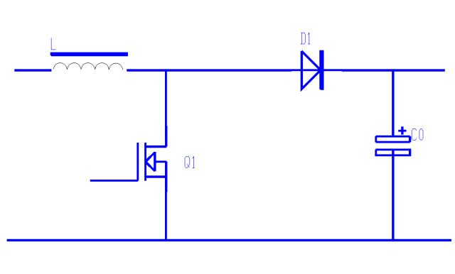
輸入輸出電壓關系
開關管電流
開關管電壓
二極管電流
二極管反向電壓
BOOST電路

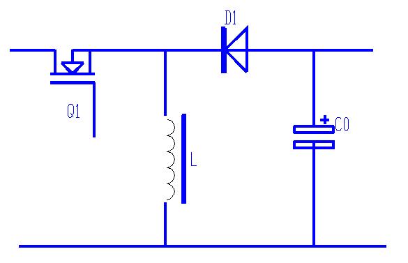
輸入輸出電壓關系
開關管電流
開關管電壓
二極管電流
二極管反向電壓
BUCK BOOST電路

輸入輸出電壓關系
開關管電流

開關管電壓
二極管電流
二極管反向電壓
SEPIC電路

輸入輸出電壓關系
開關管電流
開關管電壓
二極管電流
二極管反向電壓
FLYBACK電路

輸入輸出電壓關系
開關管電流
開關管電壓
二極管電流
二極管反向電壓
FORWARD電路

輸入輸出電壓關系
開關管電流
開關管電壓
二極管電流
二極管反向電壓
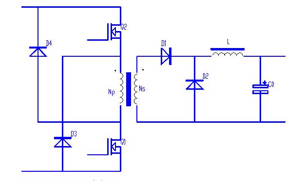
2 SWITCH FORWARD電路

輸入輸出電壓關系
開關管電流
開關管電壓
二極管電流
二極管反向電壓
ACTIVE CLAMP FORWARD電路

輸入輸出電壓關系
開關管電流
開關管電壓
二極管電流
二極管反向電壓
HALF BRIDGE電路

輸入輸出電壓關系
開關管電流
開關管電壓
二極管電流
二極管反向電壓
PUSH PULL電路

輸入輸出電壓關系
開關管電流

開關管電壓
二極管電流
二極管反向電壓
FULL BRIDGE電路

輸入輸出電壓關系
開關管電流
開關管電壓
二極管電流
二極管反向電壓
PHASE SHIFT ZVT

輸入輸出電壓關系
開關管電流
開關管電壓
二極管電流
二極管反向電壓